工作时间 周一至周六 8:00-17:00
DL-21CE电流继电器用于发电机、变压器及输电线路的过负荷和短路保护线路中,作为起动元件。
DL-21CE电流继电器概述
DL-21CE电流继电器产品参数
●动作误差:不大于6%。
●动作时间:1.1倍实测动作值时不大于0.12s 2倍实测动作值时不大于0.04s
●动作一致性:不大于5%。
●触点容量:在电压不超过250V,电流不超过5A,时间常数为5±0.75ms的直流有感负荷电路中,产品输出触点的断开容量为50W。
输出触点在上述规定的负荷条件下,产品能可靠动作及返回5×104次。输出触点长期允许接通电流为5A。
●介质强度:产品各导电端子连在一起,对外露的非带电金属部分或外壳之间,能承受2000V(有效值)50Hz的交流电压历时1分钟试验而无绝缘击穿或闪络现象。

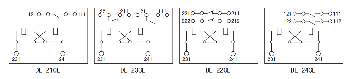
DL-21CE电流继电器产品内部接线及外引接线图


矿山冶金
化工、化肥、水泥、纺织
能源、环保
机械电子
火电、水电
造纸、制糖、制药
市政基础建设
原料、钢铁
上一篇:LL-13过流继电器
下一篇:DL-22CE电流继电器

