工作时间 周一至周六 8:00-17:00
DY-31电压继电器用途
DY-31电压继电器用于继电保护线路中,作为过电压保护或低电压闭锁的动作元件。
DY-31电压继电器结构和原理
继电器系电磁式,瞬时动作,磁系统有两个线圈,线圈出头接在底座端子上,用户可以根据需要串并联,因而可使继电器整定范围变化一倍。 2. 继电器名牌的刻度值及额定值足线圈并联时的(以V为单位)。转动刻度盘上的指针、以改变游丝的反作用力矩,从而可以改变继电器的动作值。 3. 继电器的动作:对于过电压继电器,电压升至整定值或大于整定值时,继电器就动作,动合触点闭合,动断触点断开。当电压降低到0.8倍整 定值时,继电器就返回,动合触点断开,动断触点闭合,对于低电压继电器,当电压降低到整定电压时,继电器就动作,动合触点断开,动断触点闭 合。
DY-31电压继电器内部接线图及外引接线图(背视图)

DY-31电压继电器技术数据
1.触点的数量,见表1。

2.按整定值的范围来分:每整定值的动作误差不大于±6%,继电器各种技术数据示于表2。

注:DY-32/60C、DY-34/60C规格为长期热稳定(具有内附串联电容)电压继电器。
3.继电器刻度极限误差:不大于6%。
4.动作值的变差:不大于6%。
5.对于DY-31、32、33、34电压继电器的返回系数不小于0.8;DY-35、36、37、38低电压继电器的返回系数不大于1.25。
6.动作时间
6.1 对于过电压继电器
在1.1倍动作值时,动作时间不大于0.12s;在2倍动作值动作时间不大于0.04s。
6.2 对于低电压继电器 当继电器的工作电压为0.5倍整定电压时,动作时间不大于0.15s。
7. 过电压能力:当线圈并联时,在最小整定值处,将电压由零均匀地上升到1.05~2.2倍整定电压,在此范围内,继电器不应有使得动
合触点不工作的振动。经此试验后,继电器应仍能满足技术条件的要求。
8. 过电压:继电器当加1.75倍整定值或更高时继电器的动合触点应无抖动地闭合。
9. 当无外来的碰撞和振动时。过电压继电器的各整定(第一点除外)位置上的工作电压为0.6倍整定值时,其动断触点应可靠地闭合电
路。
10. 低电压继电器在工作电压为0.6倍整定电压或更低时,其动断触点应无抖动的闭合。
11. 当无外来的碰撞和振动时,低电压继电器各整定位置上的工作电压不低于1.5倍整定电压时,其动合触点应当可靠 地闭合电路。
12. 在动作电压和返回电压下;继电器的可动系统不应当停滞在中间位置。
13. 当周围空气的相对湿度不大于85%,继电器的电路对壳(外壳上的非导电金属部分)的绝缘电阻,用500V兆欧表测量应当不小于
300MΩ。
14. 继电器的导电部分对外壳(外壳上的非导电金属部分)的绝缘,能耐受50Hz交流电压2kV历时1min的试验。
15. 触点断开容量:当电压不大于250V及电流不大于2A时,触点的断开功率,在具有电感负荷的直流电路(时间常数不大于5×10-
3s)中为50W,在交流电路中为250VA。
16. 功率消耗:在最小整定值处,继电器的线圈所消耗的功率不超过20VA。
17. 当周围介质温度为+40℃时,继电器在表2和表3所示的长期允许电流,电压下长期工作时,不会有绝缘和其他电气元件的损坏,而
线圈的温升不大于65℃。
18. 寿命:继电器电寿命500次,机械寿命为5000次。
DY-31电压继电器使用和维护
1.继电器使用前,需取去外壳,拔出机器,检查有无在运输中产生的损坏:如动片碰到磁板,游丝各圈相碰,动片轴上的摩擦等,为此,将继电器的指针整定在第一整定点上,用手将可动系统往磁板方向转动,然后放开,可动系统应当转回到原平衡位置直到止档,然后进
行必要的调整和整定。
2.继电器在重新调整时,必须保证。
2.1 可动系统的轴向活动量在0.15~0.3mm之间。
2.2 动片与磁极间的气隙,应当保证继电器在规定的任何工作情况下,动片和磁板不得相碰。
2.3 具有动合触点和动断触点的继电器,在动作过程中,桥形触点不得同时接触一动合静触点和一动断静触点。
2.4 当指针由第一刻度值旋向最终刻度值时,游丝各圈不得相碰。
2.5 继电器动作时,桥形触点应当在静触点的中心线上滑动(公差±lmm),动、静触点总气隙不小于2mm。
2.6 静触点和限制片之间的距离应不大于0.3mm。
2.7 在调整继电器的动作值时,最小整定值的调整主要是改变游丝反作用力的大小,最大整定值的调整,主要是改变动片和磁板间的气
隙等。
2.8 不宜润滑继电器轴和轴承。
2.9不允许用砂纸或其它粗造材料清洁触点,宜用锋利的刀刃或清洁的细磨石清洁触点,然后用清洁的、柔软的布片擦干净,避免用手
指接触触点。
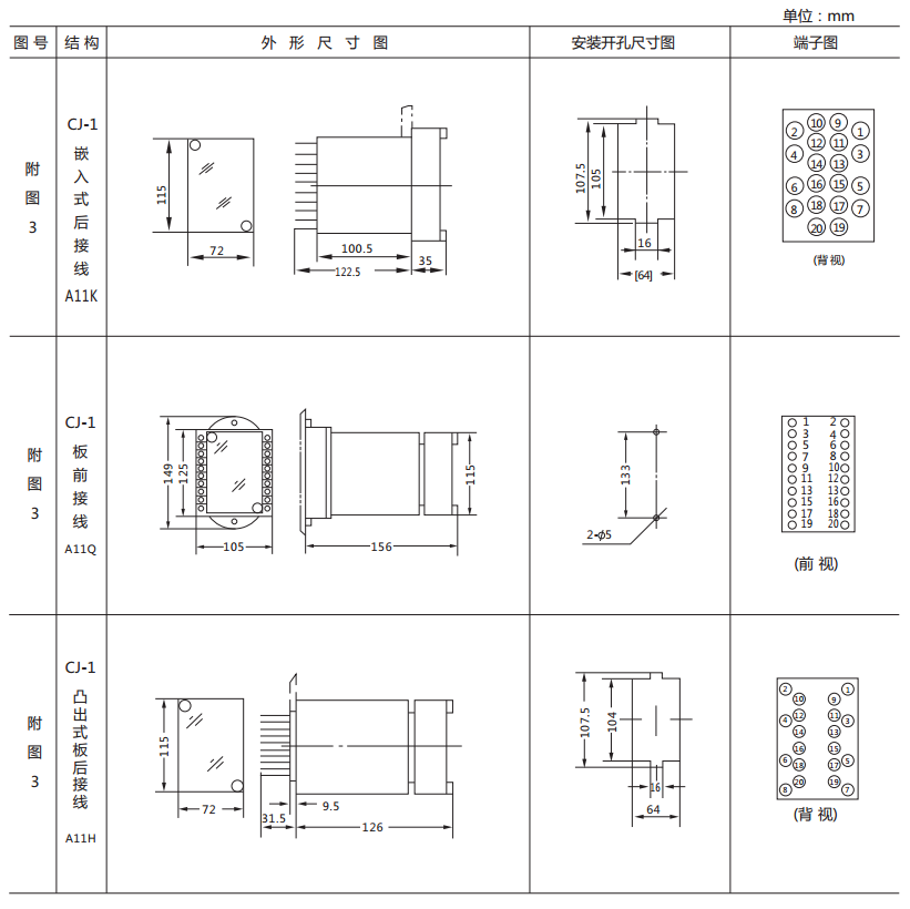
DY-31电压继电器外形及开孔尺寸

矿山冶金
化工、化肥、水泥、纺织
能源、环保
机械电子
火电、水电
造纸、制糖、制药
市政基础建设
原料、钢铁
上一篇:DY-35/Z电压继电器
下一篇:DY-41导轨式电压继电器

