来源:本站 作者:001 发布时间: 2023-11-27 09:50 浏览: 2817
继电器的接法及电路设计
继电器在电路中起到重要的作用,通过线圈的通电来控制电路的通断。但是继电器的应用细节你是否了解呢?
今天继电器资缘网就来探讨一下继电器的接法与电路设计。

继电器的接法及电路设计
首先,我们来了解一下继电器的接法。继电器通常采用线圈加开关的方式进行接通和断开电路。

继电器的接法及电路设计-2
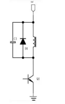
在图中,我们可以看到继电器的线圈经过Q1作为开关,使其导通与断开。而D1则作为续流二极管,可以消耗线圈中的能量。
接下来,我们来看看继电器的特点。继电器的吸合电流大于释放电流,也就是说,当继电器吸合时,需要的电流较大,而当继电器释放时,需要的电流较小。
同时,保持电流小于吸合电流,大于释放电流。这些特点在进行电路设计时需要特别注意。
此外,我们来看看流行的电路设计优缺点。继电器的线圈相当于电感,它的电流不能突变。
在释放时,Q1截止瞬间,线圈将仍保持原来的电流大小。如果不接入D1这个二极管,产生的电压理论上是无穷大的。
而接入D1后,给线圈中的能量提供了释放的通道。但是,如果二极管是理想的,即它只单向导通而没有任何功率消耗,那么在继电器释放时,线圈中的电流将一直保持吸合时的最大电流。
这种情况下,继电器可能无法释放。实际中,二极管及线圈都不是理想的,所以它们是可以释放的。
除了上述的接法外,还有其他一些接法。比如在图中所示的电路中加入了电阻R1来控制能量释放速度。

继电器的接法及电路设计-3
当线圈在Q1关断时,能量主要消耗在R1上,使继电器可以快速降到释放电流值。
这种接法可以加快继电器的释放速度,但同时也增加了电路的复杂性。
综上所述,我们在进行继电器接法和电路设计时需要考虑吸合电流、释放电流和保持电流的特点,以及线圈续流的二极管的作用和能量释放的速度等因素。
根据实际应用需求来选择合适的接法和电路设计可以更好地发挥继电器在电路中的作用。
公司介绍:上海上继科技有限公司是一家专业从事电力系统继电保护及智能电网电力自动化产品的研发、设计、生产、销售和服务为一体的高科技公司。拥有资深继电保护专家团队和国内领先的检测仪器及校验设备。同时还引用国内外先进技术,来进行技术创新。本公司的产品广泛用于电力、工矿、铁路、建筑等国家重大工程输配变电系统上,产品远销东南亚及中东地区。产品通过国家继电保护及自动化设备质量监督检验中心检测,获得ISO9001国际质量体系认证。“科技创新,诚信务实”是公司的经营理念,本公司以高超的技术支持和对用户高度负责的售后服务赢得了输配电成套企业的信赖,且树立了良好的信誉。
公司主营:继电器(时间继电器,电压继电器,电流继电器,中间继电器,信号继电器,闪光继电器,冲击继电器,同步检查继电器,接地继电器,差动继电器,重合闸继电器,绝缘监视继电器,双位置继电器,模数化继电器),微机保护装置,电力仪表,智能操控装置
上海上继科技有限公司(专注电力保护继电器生产厂家)销售热线:021-57233089 QQ:1932551438
{以上内容仅供参考,上海上继科技有限公司有最终解释权}
更多继电器精彩文章——如何使用继电器来控制接触器呢?
上一篇:如何使用继电器来控制接触器呢?
下一篇:闪光继电器与普通继电器的区别

