工作时间 周一至周六 8:00-17:00
JCH-1静态合闸继电器在输配电线中作为三相一次自动重合闸之用,与继电保护装置相配合,将被保护断开的断路器自动重合一次,若为瞬时故障,重合闸后经15~25s时间自动准备好下一次动作,若为永久性故障,重合闸后保护再次将断路器断开,不再合闸。
JCH-1静态合闸继电器概述
JCH-1静态合闸继电器在输配电线中作为三相一次自动重合闸之用,与继电保护装置相配合 , 将被保护断开的断路器自动重合一次,若为瞬时故障,重合闸后经15~25s时间自动准备好下一次动作,若为永久性故障,重合闸后保护再次将断路器断开,不再合闸。
JCH-1静态合闸继电器功能特点
1、有"电源"、"充电"、"充动"三个发光二极管,分别监视工作电源、充电延时回路、启动回路.。
2、继电器启动延时时间用数字拔码开关整定.整定范围0.1~9.9s,级差0.1s,整定及变更时间方便,无钟表机构停走弊病。
3、完善的保护措施:电源极性接反、启动、放电回路误接入正电源均不会损坏继电器。
4、高可靠性:采用进口集成电路及高品质元器件;生产工艺精良,采用双面焊接 ,功耗小,继电器内部温升低,可以放心使用。
5、引脚及外围电路与DH-1、DH-2、DH-3、DCH-1型等重合闸继电器一致:可直接替代DH-1、DH-2、DH-3、DCH-1型等重合闻继电器。
6、合闸电流宽范围通用: 0.25~2.5A.适合各种合闸接触器。
7、调试筒单:减轻继电保护人员负担。
JCH-1静态合闸继电器型号结构及工作原理
1、型号命名的含义

2、工作原理
继电器由稳压、延时、计数、执行及保持部分组成(见图1)。装有三只发光二极管,监视电源、充电和启动是否完好,正常时二只发光二极管亮,启动发光二极管不亮。当加入电源或自动重合闸后经15-25s充电延时部分充好电,准备好工作。一旦断路器故障跳闸,启动回路有信号输入,经整定延时后,有信号输出,因充电延时部分已充好电,所以执行部分工作,即发出合闸脉冲并自保持,直到断路器合闸后,合闸回路的断路器辅助触点断开,解除自保持。在此过程中,延时部分复位清零。如为瞬时性故障,经15-25s后充电延时部分再次充好电,准备好下一次动作,如为永久性故障,自动重合闸后,保护装置将断路器再次跳闸,启动回路又有信号输入, 但由于充电延时部分还未充好电,执行及保持部分不工作,只要启动信号存在,充电延时部分就一直处于放电状态,充不上电,保证可靠不重合第二次。如要闭锁合闸 ,例如手动分闸或低周减载动作,接通放电回路,这时充电延时回路和启动延时回路被闭锁,就能可靠闭锁重合闸不工作。
3、本继电器外引脚功能

JCH-1静态合闸继电器技术指标及注意事项
1、合闸电流: 0.25A~2.5A范围内通用, 80%的最小合闸电流(0.2A)时合闸回路应能自保持。合闸回路允许2倍额定电流接通
10分钟。
2、启动延时范围:0.1~9.9s,级差0.1s。
3、延时精度: 0.1~9.9s时,误差≤±(0.1%+15ms)。
4、再次重合闸的充电时间: 15~25s(80%-110%额定电压内) ,如应用于弹黃储能操作机构断路器,可提供25~35s的产品,订货时需注明。
5、合闸脉冲宽度: 100~120ms。
6、功率消耗:
a、工作电源回路见下表

b、启动回路:合闸电流为2.5A时,不大于3W。
JCH-1静态合闸继电器使用指南
1、继电器应用中应注意以下事项:
a、重合闸试验灯,因为电流大小,重合闸出口部分无法白保持,所以应在试验灯上并联一个电阻,使回路电流大于0.25A。下
列电阻规格作为参考:

b、低周减载装置要闭锁重合闸,只需把低周出口接点并接在"放电"端与负极间。
c、放电回路对负电源间绝缘必须良好。
2、检验项目:
a、测最短可靠动作充电时间,应在15~25s间。
b、测动作延时,可按图2接线试验。每动作一次应断开一下合闸回路,以解除自保持。
c、部分检验条例要做的各种连同断路器的传动试验 。
JCH-1静态合闸继电器接线图

JCH-1静态合闸继电器检验方法说明
现场若只有一组直流电源,一个秒表(可空接点启动,空接点停止) ,则测试接线如下图:

测试步骤
1、如图接线,若SB1没有可直接接到重合端子上。(复位时拆掉该端子接线即可)若设有SB2 ,则可以不接,在测试放电闭缩时用一短接线将其短接即可。
2、调节V+、 V-使电压表指示为重合闸继电器额定电压值。
3、先将RP调到最大,短接重合、合闸端子,再调节RP使安培表的读数为用户需要的合闸电流值(0.25~2.5A)。
4、去掉重合和合闻之间的短接线。
5、充电灯完以后,合上开关K,秒表启动计时,时间到,重合闸常开触点停止秒表计时,秒表的读数为重合闸的延时时间,安培表读数为重合闸保持电流。
6、按下SB1断开合闻保持电流,打开开关K,同时用手表开始计时,从K打开到充电灯克的这段时间为重合闸充电时间。
7、按下SB2,充电灯灭,重合闸不能重合;放开SB2同时开始手表计时,从SB2放开到充电灯亮的这段时间应符合重合闸充电时间的要求。
8、若合闸电流不准,则可在重合闸合闸保持的状态下,调节RP使合闸电流为用户要求的值,然后再断开保持(按SB1) ,待充电灯高后,再次重合,看能否保持,若能保持说明合闸电流符合要求。
注意:在整个测试过程中V+、 V-不断电。
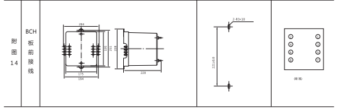
JCH-1静态合闸继电器外形结构及开孔尺寸



矿山冶金
化工、化肥、水泥、纺织
能源、环保
机械电子
火电、水电
造纸、制糖、制药
市政基础建设
原料、钢铁
上一篇:ZJJ-2B直流绝缘监视继电器
下一篇:JCH-2静态合闸继电器

