工作时间 周一至周六 8:00-17:00
DX-10A闪光继电器寸用于电力系统断路器的位置信号灯不对应闪光,该继电器是为了适应当前推广使用发光二极管节能指示灯而设 计。
DX-10A闪光继电器应用范围
DX-10A闪光继电器用于电力系统断路器的位置信号灯不对应闪光,该继电器是为了适应当前推广使用发光二极管节能指示灯而设计。但也可通用于原有的各类白炽指示灯,是DX-1、DX-3型闪光继电器的更新换代产品。由于该继电器的适应能力强,起动电流小 (10mA)特点,故也是其它各种报警电路中理想的报警继电器。
DX-10A闪光继电器主要技术数据
●继电器额定电压:直流220V或110V(交流220V或110V)。
●继电器闪光频率:每分钟100±30次可整定。
●继电器触点负载能力:220VAC、3A继电器最小起动电流10mA。
●介质强度:产品各导电端子连在一起,对外露的非带电金属部分或外壳之间,能承受2000V(有效值)50Hz交流电压历时1分钟试验而无绝缘击穿或闪络现象。
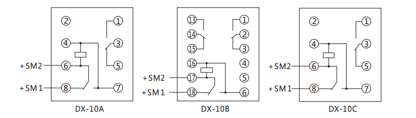
DX-10A闪光继电器内部接线及外引接线图

DX-10A闪光继电器接线使用说明
●继电器与发光二极管信号灯配用时,如图(1)接线(B型结构)。
●如继电器与白炽信号灯配用时,将图(1)+SMl(18端子)改接成+SM2(17端子)其余不变。
●如采用如图(2)接线,当电源接通后,信号灯同样也能产生闪光信号。当XD-21发光二极管信号灯同时使用超过5盏时,为保证亮度,建议使用图(2)接线

DX-10A闪光继电器外形及开孔尺寸


矿山冶金
化工、化肥、水泥、纺织
能源、环保
机械电子
火电、水电
造纸、制糖、制药
市政基础建设
原料、钢铁
上一篇:没有了!
下一篇:DX-11信号继电器

