工作时间 周一至周六 8:00-17:00
DX-1闪光继电器用于信号回路。当工作线圈电源接通后,触点可周期性的接通和断开,使受控的灯光信号发出闪光。
DX-1闪光继电器应用范围
DX-1闪光继电器用于信号回路。当工作线圈电源接通后,触点可周期性的接通和断开,使受控的灯光信号发出闪光。
DX-1闪光继电器主要技术数据
●额定值:DC 220V、110V、48V。
●触点形式:2组动合、1组动断。
●闪光频率:每分钟60±20次。
●动作值:不大于70%额定值。
●功率消耗:不大于3W。
●触点容量:在电压不超过250V,电流不超过5A,时间常数为5±0.75ms的直流有感负荷电路中,产品输出触点的断开容量为
50W。输出触点在上述规定的负荷条件下,产品能可靠动作及返回5×104次。输出触点长期允许接通电流为5A。
●介质强度:产品各导电端子连在一起,对外露的非带电金属部分或外壳之间,能承受2000V(有效值)50Hz的交流电压,历时1分钟 试验,而无绝缘击穿或闪络现象。
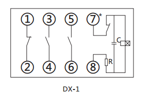
DX-1闪光继电器内部接线及外引接线图

DX-1闪光继电器外形尺寸及开孔尺寸

矿山冶金
化工、化肥、水泥、纺织
能源、环保
机械电子
火电、水电
造纸、制糖、制药
市政基础建设
原料、钢铁
上一篇:DX-17/3信号继电器
下一篇:DX-31B信号继电器

