工作时间 周一至周六 8:00-17:00
SS-23时间继电器作为辅助元件用于各种保护及自动控制电路中 , 使被控制的元件得到所需的延时。
SS-23时间继电器应用范围
SS-23时间继电器作为辅助元件用于各种保护及自动控制电路中 , 使被控制的元件得到所需的延时。
SS-23时间继电器主要技术参数
·触点形式: 1副瞬动转换; 2副延时动合触点。
·动作值:不大于70%额定值。
·返回值:不小于5%额定值
·整定误差:不大于±0.5%最大整定值。
·延时一致性:不大于0.2%最大整定值。
·功率消耗:不大于6.6W。
·触点容量:在电压不超过250V,电流不超过5A,时间常数为5±0.75ms的直流有感负荷电路中,产品输出触点的断开容量为50W。输出触点在上述规定的负荷条件下,产品能可靠动作及返回5x104次。输出触点长期允许接通电流为5A。
·介质强度:产品各导电端子连在一起,对外露的非带电金属部分或外壳之间,能承受2000V(有效值)50Hz的交流电压历时1分钟试验而无绝缘击穿或闪络现象。

SS-23时间继电器内部接线及外引接线图

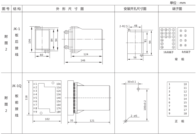
SS-23时间继电器外形及开孔尺寸

矿山冶金
化工、化肥、水泥、纺织
能源、环保
机械电子
火电、水电
造纸、制糖、制药
市政基础建设
原料、钢铁
上一篇:SS-22时间继电器
下一篇:SS-51时间继电器

