工作时间 周一至周六 8:00-17:00
JT-1静态同步检査继电器为静态型瞬动继电器,工作原理:通过数字电路处理处一个相位差(或电压差)与设定值相比,达到同步检査目的。
JT-1静态同步检查继电器概述
JT-1静态同步检査继电器为静态型瞬动继电器,工作原理:通过数字电路处理处一个相位差(或电压差)与设定值相比,达到同步检査目的。
1型为相位检査型,铭牌上数字设定值(整定值)单位为度。
2型为电压矢量和(或差)检验型 ,铭牌上数字设定值(整定值)单位为状(V) 。
如是二个电压的相位差或电压矢量差大于铭牌上的设定值,继电器瞬时动作。
JT-1静态同步检查继电器型号及命名意义

JT-1静态同步检查继电器引脚及引线
本继电器的输入电压的两个线( U1、 U2都是如此)不能随意颠倒次序。其原因先说明如下:
以图二(a)为准,则如U2两根线颠倒次序的话,曲线将图二( b)所示。按图二(a)接线测得为0角的话,则技国二( b)接线就是180°-(1)角了。所以用户现场接线时,最好能找到公共端接在②、⑧脚。若是找不到公共端,则在现场试验时,先可任意接好,测试继电器是否能正常动作,若是不能正常动作,将U2的两根线交换位置即可。

JT-1静态同步检查继电器技术参数
整定范围
纯相位监测: 5°-175°
电压矢量检査型: 0V~99V
5.2 触点容量 250VAC COSCP=1.0 5A
合闸 250VDC 5A
分闸 250VDC T=5mS 50W
5.3 触点寿命 电寿命不低于10万次;机械寿命不低于100万次。
5.4 介质强度 继电器各导电端子连在一起,对外露非带电部分或外壳之间能承受2000V(有效值) 50Hz的交流电压历时1分钟
试验而绝缘击穿或飞弧现象。
4.5 绝缘电阻 继电器各导电端子连在一起,对外露非带电部分或外壳之间,用开路电压为500V的、兆欧表测量其绝缘电阻不小于
300M0。
4.6 工作环境 温度-10°C~+50°C,相对湿度不大于90% ,海拔高度不大于2000M。
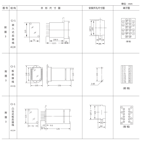
JT-1静态同步检查继电器外形及开孔尺寸


矿山冶金
化工、化肥、水泥、纺织
能源、环保
机械电子
火电、水电
造纸、制糖、制药
市政基础建设
原料、钢铁
上一篇:ZJC-3静态冲击继电器
下一篇:JT-3静态同步检查继电器

